Этап #1 Постановка задачи
Клапанный усиленный инспекционный колодец используется для доступа к скрытым подземным коммуникациям, электромагнитным клапанам, водяным розеткам и узлам водяных линий. Делаем конструкцию и полный комплект документации для серийного производства — реверс-инжиниринг на основе образца, с корректировкой модели согласно требованиям заказчика.
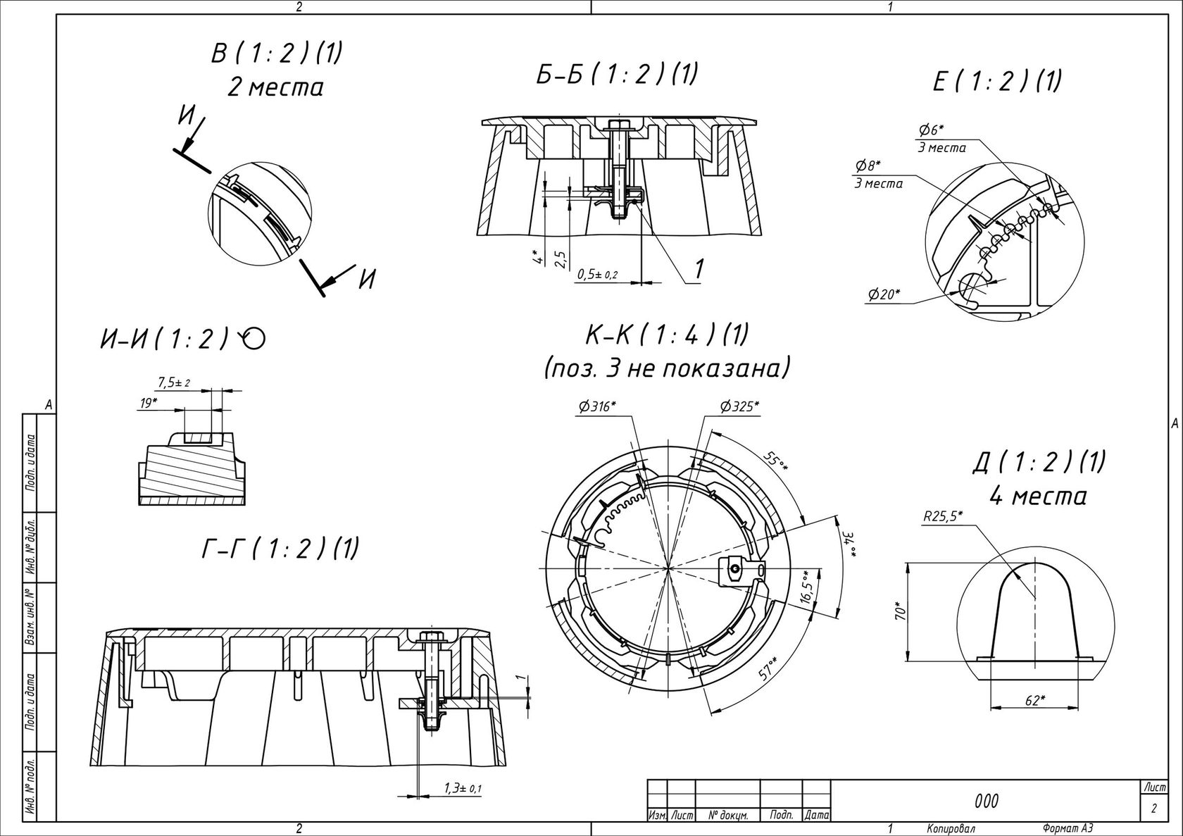
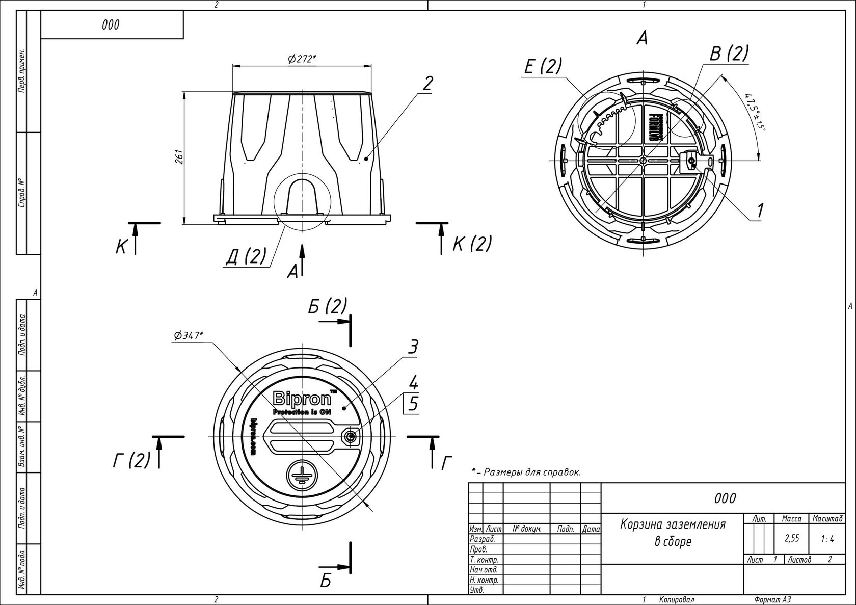
Колодец представляет собой полипропиленовый конусообразный цилиндр с рёбрами жесткости и легкоудаляемыми элементами для подвода коммуникаций. Закрывается полипропиленовой крышкой с болтом крепления из нержавеющей стали. Эта небольшая конструкция выдерживает нагрузку до 300 кг и более.
Внутри колодца необходимо предусмотреть «гребёнку» для крепления проводов, расположенную внутри конуса на высоте от середины до верхней трети. Гребёнка может быть как отдельной деталью, так и частью корпуса — смотря что будет эффективнее с точки зрения конструкции.
Этап #2 Эскизирование
Дизайн технологических отверстий можно менять, но, разумеется, с учётом максимального размера подводимых коммуникаций (считая с фитингами). Кромки скруглять по хорде, ровными радиусами или радиусным сопряжением с коническим параметром.
Можно также изменить ручку, рисунок на верхней крышке и очертания рёбер на внешней поверхности, — но так, чтобы корпус можно было легко достать из пресс-формы.
Черновые эскизы:
Дизайн утверждён:
Этап #3 3D-моделирование
Бывает, что некоторые простые задачи решаются на стадии моделирования, а не эскизирования — например, на крышке нужно разместить логотип производителя и знак заземления. Вроде бы задача — проще некуда, но тут есть свои засады.
Размер букв не должен быть менее 1 мм, иначе при литье под давлением возможно появление дефектов (или даже форма выйдет из строя). Ограничения есть и относительно расстояния между буквами: нужно выдержать интервал между ними от 1.2 до 1.5 мм.
Рендеры:
Этап #4 Конструкторская документация
Технология производства — литьё пластмасс под давлением.
Делаем правки по замечаниям производства — меняем толщину рёбер на крышке и нишу в наросте кронштейна под болт.
Ещё одна наша задача — найти подрядчика на производство форм в Китае (потому что там дешевле) и подрядчика на литьё в РФ (потому что везти колодцы из Азии обойдётся дорого). Всех нашли, всё согласовали, передали результаты заказчику. Сейчас проект находится на стадии запуска производства — в Азии изготавливаются пресс-формы. Ждем первых серийных отливок.

— Наверняка в мире уже есть корпус, который можно взять за образец для решения вашей задачи. Этот корпус вам в целом нравится, но хочется, во-первых, в нём что-то улучшить, во-вторых, производить его самому.
Для этих целей и существует реверс-инжиниринг. За основу здесь берется тот самый понравившийся корпус — при его разработке производитель уже понаступал на все возможные грабли. Эту основу мы кастомизируем под свои потребности. И получаем отличный результат, не требующий «допила» покупного корпуса; не зависим от производителя и можем продавать свое решение по конкурентной цене.
Евгений Аракас,
руководитель проекта
Это не первый проект Формлаба для этого заказчика. Вот рассказ о разработке корпуса контроллера. Жмите «Читать» или кликайте по картинке ниже.

Бесконтактный измеритель сопротивления Elve
Разработка дизайна и эргономики
































