Этап #1 Постановка задачи
Вот рация. Клиенту нужны, во-первых, её 3D-модель, во-вторых, пакет контрукторской документации по ГОСТ 2.102-2013.
Компоненты радиоприёмника — корпус, основная плата, LED-световод, платы питания и антенны, разъем антенны с гайкой, кабель динамика и собственно динамик.
Берём радиостанцию, разбираем до винтика, сканируем корпус. Снимаем размеры и строим 3D-модель.
Модель:
На основе 3D-модели будем делать чертежи.
Этап #2 CAD-моделирование
Обновлённая модель:
Этап #3 Конструкторская документация
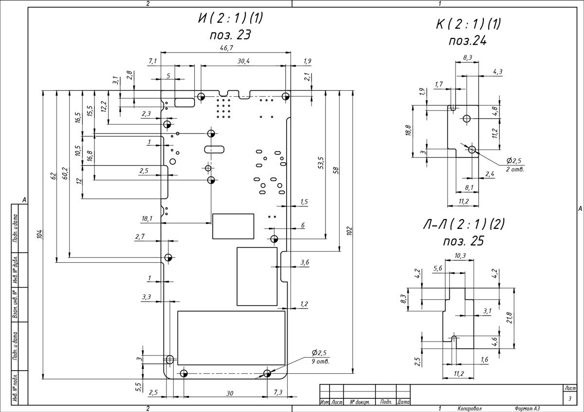
Корпус сложный: помимо внешних пластиковых частей в его состав входит довольно много компонентов: металлическое шасси, защёлки, фиксатор разъёма гарнитуры, прокладки, накладки, кнопки…
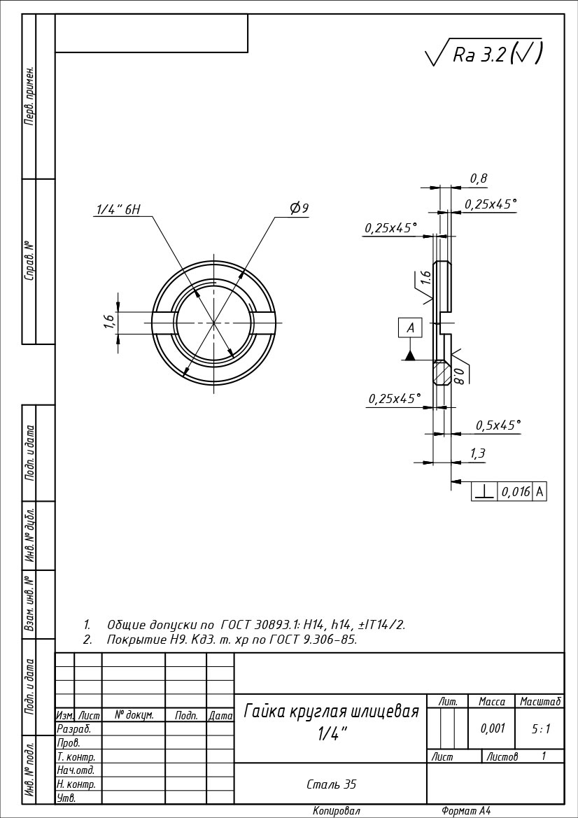
Отдельный чертёж нужен для каждой гайки.




















